ПР1-24-150 Поглотитель резистивный (эквивалент нагрузки)
Предназначены для работы в качестве эквивалента нагрузки в непрерывном и импульсном режимах в цепях постоянного и переменного токов высокой частоты.
Категория качества - базовое.
Основные особенности:
- высокая входная мощность;
- широкополосность;
- малая неравномерность ослабления;
- высокая температурная стабильность.
Применение:
- испытательная и измерительная техника;
- согласование;
- разработки и исследования.
Основные технические характеристики
|
Средняя входная мощность |
Импульсная мощность |
Рабочий диапазон частот, ГГц |
КСВН, не более |
Тип соединителей |
|
150 |
3000 |
0-6,0 |
1,35 (0 – 6,0 ГГц) |
N* |
*возможна поставка с соединителями типа III
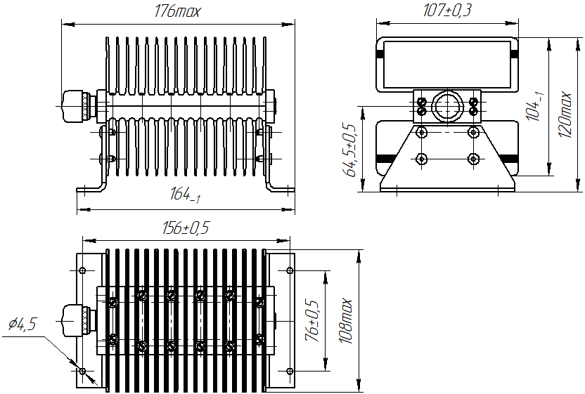
Масса, не более: 2 кг

Габаритные размеры
Условное обозначение при заказе
Сделать запрос
Заполните форму и мы свяжемся в течение 24 часов.