ПР1-24Р-50 Нагрузки рассогласованные коаксиальные
Категория качества -
Базовое
Предназначены для работы в качестве эквивалента рассогласования коаксиального тракта в непрерывном и импульсном режимах в цепях постоянного тока и переменного тока высокой частоты.
Категория качества - базовое.
Основные особенности:
- высокая входная мощность;
- нормированный КСВН;
- нормированный КСВН.
Основные технические характеристики
|
Средняя входная мощность |
Рабочий диапазон частот, ГГц |
Номинальный КСВН* |
Неравномерность КСВН |
Масса, не более кг |
|
50 |
0-1,5 |
1,3; 1,5; 1,7; 2,0; 3,0; 4,0 |
±5 % |
0,45 |
*возможна поставка с промежуточными значениями КСВН

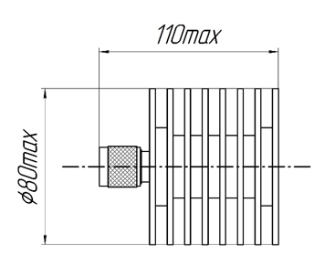
Габаритные размеры
Условное обозначение при заказе
Сделать запрос
Подберем и разработаем нестандартные решения для изготовления необходимой вам продукции.
Заполните форму и мы свяжемся в течение 24 часов.
Заполните форму и мы свяжемся в течение 24 часов.